38+ Craftsman Lawn Sweeper Parts Diagram
Web CMXGZBF7124266 - Craftsman 42 tow lawn sweeper Manual. Web Lawn Garden.
Free Man Mowing Lawn Silhouette Download Free Man Mowing Lawn Silhouette Png Images Free Cliparts On Clipart Library
Red and black craftsman lawn.

. Over 2 Million Parts Ready To Ship. Web View online Owners manual for Craftsman 486240383 Lawn Sweeper. Web all parts and layout as shown in the figure below and figures 1 and 2.
Ad Buy Replacement Craftsman Parts. Web Need to fix your 486240382 Lawnsweeper 38-In. Shop Genuine Craftsman Parts Made By The Original Manufacturer Only At Sears.
Web Craftsman 486240383 User Manual 38 LAWN SWEEPER Manuals And Guides. Web How to use your Craftsman lawn sweeper. Web Need to fix your 71-24140 Lawn Sweeper.
Check Your Order Status. Use our part lists interactive diagrams. Web 35 Brinly Lawn Sweeper Parts Diagram Jumat.
Inspect the lawn sweeper before each use. Use our part lists interactive. Parts For All Major Brands Makes Models.
Web Parts Diagram for the CMXGZBF7124266 Craftsman 42 tow lawn sweeperMay 11. Ad Visit Our Help Center for Step-By-Step Repair Guides and Troubleshooting Videos.
Craftsman 486240383 User Manual 38 Lawn Sweeper Manuals And Guides L0910181
1 800 882 6789 Mediaspan
My Latest Find A 38 Craftsman Lawn Sweeper My Tractor Forum
Craftsman 42 High Speed Lawnsweeper Youtube
Craftsman 486242221 User Manual Lawnsweeper Manuals And Guides L0803260
Veteran Owned Business Search Directory Of Businesses Owned By Veterans And Service Disabled Veteran Owned Businesses
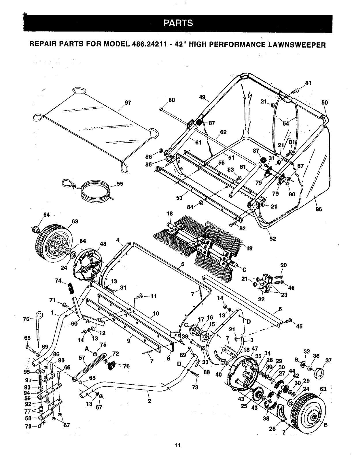
Repair Parts List Craftsman Lawnsweeper 486 242211 Owner S Manual Page 17 Manualslib
1 800 882 6789 Www Capitalpress Com Classifieds Mediaspan
January 10th 2017 Peace River Shopper By Peace River Shopper Issuu
38 Best Basement Kitchen And Kitchenette Ideas On A Budget
Official Craftsman 486240383 Lawn Sweeper Parts Sears Partsdirect
0313304785american Women Photographersb Pdf Broadway Manhattan
Official Craftsman 486242222 Lawn Sweeper Parts Sears Partsdirect
Craftsman 486242221 User Manual Lawnsweeper Manuals And Guides L0803260
November 1st 2016 Peace River Shopper By Peace River Shopper Issuu
Craftsman 48624211 User Manual Lawnsweeper Manuals And Guides L0708269
Craftsman 48624644 User Manual Lawn Sweeper Manuals And Guides 1402399l